工業鋁型材
Aluminum profile
Aluminum profile
聯系APAS / Contact us
- 地址:天津市西青經濟技術開發區賽達國際工業城A3-2.
- 郵箱:lxc@apas.com.cn
- 電話:022-87920088
- 傳真:請聯系網絡管理員
- 郵編:300385
- 咨詢熱線:13702119190(24小時服務熱線)
20系列鋁型材 / Aluminum profile
產品名稱 / Name
2020-1N鋁型材
產品描述 / Describe
2020-1N鋁型材尺寸為20×20mm,1N鋁型材三面凹槽設計只適用于框架中間結構的組裝,三面凹槽可用于上、下結構以及內部結構連接,型材平整面則展現于框架外側;
022-87920088
可以根據需求進行設計加工,提供上門安裝服務;可以根據特殊需求進行鋁型材開模定制。
* 免費提供工業鋁型材選型手冊 →點擊咨詢
|
|
| ? |
| 2020鋁型材表面凹槽非常有利于框架的組裝,但組裝成框架產品之后,凹槽內部就很不利于清理,所以開發出了2020-1N鋁型材產品,1N型材三面有凹槽,可以用于框架的組裝,平整面裸露于框架外側,這樣可以實現框架外部效果平整美觀,且便于清理維護; |
| ? |
![]() ![]()
|
| ? |
|
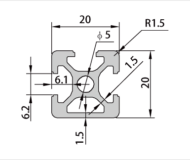
2020-1N工業鋁型材截面圖(二維參數)
|
| ? |
|
規格型號
|
材質
|
單位重量
|
慣性矩
|
慣性矩
|
彎矩
|
彎矩
|
訂貨編號
|
|
Profile
|
Material
|
Weight
|
Ix(cm4)
|
Iy(cm4)
|
Wx(cm3)
|
Wy(cm3)
|
Order NO.
|
|
20×20-1N
|
鋁AL(6063-T5)
|
0.49kg/m
|
0.788
|
0.717
|
0.754
|
0.717
|
APAS-P6-2020-1N
|
| ? |
|
2020-1N鋁型材的應用:1N鋁型材三面有凹槽設計,可以用于連接件的安裝,要實現框架外側平整美觀,1N型材只能用于框架中間部位,上、下凹槽以及內側凹槽可以用于框架組裝,平整面則展現于框架外側; |
聯系APAS/ Contact us
天津艾普斯工業鋁型材股份有限公司
聯系電話:022-87920088
企業傳真:(避免惡意廣告)請聯系該企業網絡管理員
服務熱線:13702119190 (24小時服務熱線)
Q Q:534973906
企業郵箱: lxc@apas.com.cn
企業地址:天津市西青經濟技術開發區賽達國際工業城A3-2
聯系電話:022-87920088
企業傳真:(避免惡意廣告)請聯系該企業網絡管理員
服務熱線:13702119190 (24小時服務熱線)
Q Q:534973906
企業郵箱: lxc@apas.com.cn
企業地址:天津市西青經濟技術開發區賽達國際工業城A3-2
采購意向留言:* 為必填















QQ咨詢
電話聯系
聯系電話

在線留言
樣冊下載
