鋁型材配件
Product accessories
Product accessories
聯系APAS / Contact us
- 地址:天津市西青經濟技術開發區賽達國際工業城A3-2.
- 郵箱:lxc@apas.com.cn
- 電話:022-87920088
- 傳真:請聯系網絡管理員
- 郵編:300385
- 咨詢熱線:13702119190(24小時服務熱線)
鋁型材支撐配件 / Support fittings
產品名稱 / Name
平板腳輪
產品描述 / Describe
平板腳輪主要應用于工業鋁型材制作的設備框架、物料周轉車、移動檢修平臺等具有可移動需求的鋁型材框架移動支撐,具有多種規格型號,分別適用于不同承載需求的鋁型材框架結構的底部支撐,選型時需要嚴格參照其技術參數;
022-87920088
可以根據需求進行設計加工,提供上門安裝服務;可以根據特殊需求進行鋁型材開模定制。
* 免費提供工業鋁型材選型手冊 →點擊咨詢
|
|
| ? |
| 平板腳輪是一種應用于工業鋁型材設計搭建的設備框架、物料車、工作臺以及貨架等裝備的可移動支撐部件,具有多種規格型號,分別適用于不同承載能力的框架結構;平板腳輪規格選型需嚴格參照其技術參數以及被應用部位的物理性能,以避免影響其性能的穩定性; |
| ? |
![]() ![]()
|
|
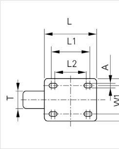
(工業鋁型材框架專用平板腳輪二維參數)
|
| ? |
|
訂貨編號
|
規格
|
顏色
|
D
|
T
|
H
|
L
|
L1
|
L2
|
W
|
W1
|
A
|
載重
|
|
CE-PW50D-D
|
2"
|
黑色
|
φ50
|
26
|
74
|
70
|
55
|
55
|
51
|
35
|
8.5
|
50kg
|
|
CE-PW60D-D
|
2.5"
|
黑色
|
φ62
|
32
|
80
|
95
|
78
|
71
|
66
|
45
|
8.5
|
80kg
|
|
CE-PW75D-D
|
3"
|
黑色
|
φ75
|
32
|
112
|
95
|
78
|
71
|
66
|
45
|
8.5
|
112kg
|
|
CE-PW100D-D
|
4"
|
黑色
|
φ100
|
32
|
135
|
95
|
78
|
71
|
66
|
45
|
8.5
|
135kg
|
|
CE-PW125D-D
|
5"
|
黑色
|
φ125
|
32
|
152
|
95
|
78
|
71
|
66
|
45
|
8.5
|
152kg
|
|
注:以上表格中尺寸單位為毫米;
|
||||||||||||
| ? |
|
平板腳輪在使用移動過程中不能變向,只能實現直線運動,所以如果需要變向移動需要搭配活動腳輪;平板腳輪不能直接與工業鋁型材相連接,需要搭配專用腳輪連接板實現與工業鋁型材框架結構的完美組裝; |
聯系APAS/ Contact us
天津艾普斯工業鋁型材股份有限公司
聯系電話:022-87920088
企業傳真:(避免惡意廣告)請聯系該企業網絡管理員
服務熱線:13702119190 (24小時服務熱線)
Q Q:534973906
企業郵箱: lxc@apas.com.cn
企業地址:天津市西青經濟技術開發區賽達國際工業城A3-2
聯系電話:022-87920088
企業傳真:(避免惡意廣告)請聯系該企業網絡管理員
服務熱線:13702119190 (24小時服務熱線)
Q Q:534973906
企業郵箱: lxc@apas.com.cn
企業地址:天津市西青經濟技術開發區賽達國際工業城A3-2
采購意向留言:* 為必填















QQ咨詢
電話聯系
聯系電話

在線留言
樣冊下載
