在線選型手冊
Selection Guide
Selection Guide
聯系APAS / Contact us
- 地址:天津市西青經濟技術開發區賽達國際工業城A3-2.
- 郵箱:lxc@apas.com.cn
- 電話:022-87920088
- 傳真:請聯系網絡管理員
- 郵編:300385
- 咨詢熱線:13702119190(24小時服務熱線)
在線選型手冊
/ Selection Guide

鋁型材角件
產品描述 / Name
鋁型材配件又稱為型材角碼,是一種可實現快速組裝的連接方式,以下選型表中詳細列出了鋁型材角件規格參數,使用時可以根據表中鋁型材規格所對應角件訂貨編號進行選型;
022-87920099
可以根據需求進行設計加工,提供上門安裝服務;可以根據特殊需求進行鋁型材開模定制。
* 免費提供工業鋁型材選型手冊 →點擊咨詢
內容來源:http://www.postbar.cn/ 作者:APAS 發布日期:2021年09月13日 10時36分 閱讀次數:6511 次
| 我們組裝框架所用的鋁型材角件又稱之為角碼,屬于較為常用的鋁型材配件產品;鋁型材角件分為多種規格,可以根據型材規格、結構以及連接強度選擇相應的角件產品; |
| 常用角件可以根據其材質分為兩種,第一種為鑄鋁材質,該類型角件連接強度高,但相對于型材角件來說,韌性較低,在受到強扭力情況下或低溫環境下容易炸裂;第二種為鋁型材角件,其材質為6063-T5系列鋁擠壓型材,該類型角件韌性很強,在受到強扭力情況下可能發生變形,但不易斷裂,同時可承受超低溫環境,但相對于鑄鋁角件相比,強度較低; |
| (1)鑄鋁角件是一種非常便于拆卸的配件產品,通常用于加強鋁型材連接點的支撐力,也可以用于型材90度結構連接;鑄鋁角件固定通常選用T型螺栓和法蘭螺母配合使用,可實現快速裝配與拆卸; |
![]() ![]()
|
|
(鑄鋁角件安裝示意圖)
|
|
鑄鋁角件選型表(單位:mm)
|
||||||||||
|
型材
|
槽型
|
L
|
H
|
W
|
W1
|
A
|
B
|
R
|
材質
|
訂貨編號
|
|
20系列
|
槽6
|
17
|
20
|
5.4
|
3
|
—
|
—
|
—
|
鑄鋁
|
CE-SB2020-6
|
|
20系列
|
槽6
|
20
|
28
|
5.8
|
6
|
—
|
—
|
—
|
鑄鋁
|
CE-SB2028-6
|
|
30系列
|
槽8
|
28
|
35
|
5.8
|
6.5
|
12.5
|
8
|
3.5
|
鑄鋁
|
CE-SB3030-8
|
|
40系列
|
槽8
|
35
|
40
|
6.5
|
8
|
13
|
13.5
|
4.5
|
鑄鋁
|
CE-SB4040-8
|
|
45系列
|
槽10
|
43
|
42
|
10
|
9
|
6.5
|
16
|
4
|
鑄鋁
|
CE-SB4545-10
|
|
50系列
|
槽8
|
43
|
42
|
8
|
9
|
65
|
16
|
4
|
鑄鋁
|
CE-SB4545-8
|
| (2)強力鑄鋁角件屬于高強度配件,角件兩側分別設計有兩個安裝工藝孔,可以提升角件與型材間的緊固能力,防止松動,同時還可以起到防轉功能;此類型角件適用于受強力或振動環境中鋁型材結構的連接,也可以用于型材連接點的固定與斜撐,角件的固定我們可以搭配T型螺栓和法蘭螺母來完成安裝; |
![]() ![]()
|
|
(強力角件安裝示意圖)
|
|
強力角件選型表(單位:mm)
|
|||||||||||||
|
適用型材
|
槽型
|
L
|
W
|
W1
|
A
|
B
|
C
|
D
|
R
|
T
|
T1
|
材質
|
訂貨編號
|
|
30系列
|
槽8
|
58
|
28
|
7.8
|
15
|
15.5
|
12
|
φ8.5
|
4.25
|
6
|
5
|
鑄鋁
|
CE-SB3060-8
|
|
40系列
|
槽8
|
78
|
39
|
7.8
|
17
|
20
|
17.5
|
φ8.5
|
4.25
|
6.5
|
3.5
|
鑄鋁
|
CE-SB4080-8
|
|
45系列
|
槽10
|
88
|
42
|
9
|
20
|
17.5
|
22.2
|
φ9.4
|
4.7
|
6.5
|
3.5
|
鑄鋁
|
CE-SB4590-10
|
| (3)雙槽鑄鋁角件是一種應用于雙槽鋁型材(如:30系列6060、4080、8080、4590、9090等規格)直角結構連接的配件產品,角件兩側分別設計有四個安裝工藝孔,具有很強的固定能力,兩側斜撐結構可以提升角件的支撐能力;角件與型材連接需要配合緊固件來完成,通常選用T型螺栓和法蘭螺母進行固定; |
![]() ![]()
|
|
(雙槽鑄鋁角件安裝示意圖)
|
|
角件選型表(單位:mm)
|
||||||||||||
|
適用型材
|
槽型
|
L
|
L1
|
W
|
W1
|
A
|
B
|
C
|
D
|
R
|
材質
|
訂貨編號
|
|
30系列
|
槽8
|
58
|
30
|
12
|
5.2
|
15
|
16
|
11.5
|
φ8.5
|
4.25
|
鑄鋁
|
CE-SB6060-8
|
|
40系列
|
槽8
|
78
|
40
|
14
|
7
|
16
|
21
|
16
|
φ9
|
4.5
|
鑄鋁
|
CE-SB8080-8
|
|
45系列
|
槽10
|
86.2
|
45
|
11
|
—
|
8
|
22.5
|
17.2
|
φ8.5
|
—
|
鑄鋁
|
CE-SB9090-10
|
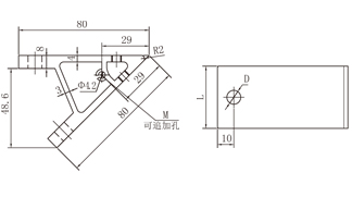
| (4)鋁型材角件是框架組裝常用配件之一,主要用于兩支鋁型材直角結構連接,起固定支撐作用;角件材質為6063-T5系列鋁擠壓型材,最大長度為6米,L尺寸可以根據需求進行切割,角件兩側有攻絲孔,可以用于封板的安裝;角件與型材連接需要搭配T型螺栓及法蘭螺母進行固定,也可以根據需求選用其他緊固件; |
![]() ![]()
|
|
(鋁型材角件安裝示意圖)
|
|
鋁型材角件選型表(單位:mm)
|
|||||
|
適用型材
|
L
|
D
|
M
|
材質
|
訂貨編號
|
|
3030
|
26
|
φ6.5/φ8.5
|
M5
|
6063-T5
|
CE-L5050-3026
|
|
4040
|
36
|
φ8.5
|
M5
|
6063-T5
|
CE-L5050-4036
|
|
4545
|
41
|
φ8.5
|
M5
|
6063-T5
|
CE-L5050-4541
|
|
5050
|
46
|
φ8.5
|
M5
|
6063-T5
|
CE-L5050-5046
|
| (5)雙槽鋁型材角件主要用于雙槽型材(如:20系列4040、30系列3060、6060、4080、8080等規格)90度直角結構連接,其用途、材質、長度、結構、固定方式等與普通型材角件相同; |
![]() ![]()
|
|
(雙槽鋁型材角件安裝示意圖)
|
|
雙槽鋁型材角件選型表(單位:mm)
|
|||||
|
適用型材
|
L
|
D
|
M
|
材質
|
訂貨編號
|
|
4040(雙槽)
|
38
|
φ6
|
—
|
6063-T5
|
CE-L4040-2038
|
|
6060(雙槽)
|
56
|
φ6.5/φ8.5
|
M5
|
6063-T5
|
CE-L5050-3056
|
|
8080(雙槽)
|
76
|
φ8.5
|
M5
|
6063-T5
|
CE-L5050-4076
|
|
9090(雙槽)
|
86
|
φ8.5
|
M5
|
6063-T5
|
CE-L5050-4586
|
|
100100(雙槽)
|
96
|
φ8.5
|
M5
|
6063-T5
|
CE-L5050-5096
|
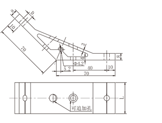
| (6)鋁型材強力角件與普通型材角件的區別在于其兩側分別設計有兩個安裝工藝孔,提升了角件與型材間的緊固強度,防止連接點發生松動;適用于兩支型材之間90度直角連接,起固定支撐作用,其尺寸參數可以參考以下選型表; |
![]() ![]()
|
|
(鋁型材強力角件安裝示意圖)
|
|
強力型材角件選型表(單位:mm)
|
||||
|
適用型材
|
L |
D
|
材質
|
訂貨編號
|
|
3030
|
26
|
φ6.5/φ8.5
|
6063-T5
|
CE-L7878-3026
|
|
4040
|
36
|
φ8.5
|
6063-T5
|
CE-L7878-4036
|
|
4545
|
41
|
φ8.5
|
6063-T5
|
CE-L7878-4541
|
|
5050
|
46
|
φ8.5
|
6063-T5
|
CE-L7878-5046
|
| (7)雙槽鋁型材強力角件與強力型材角件區別在于它們分別適用于不同規格的型材材料,雙槽型材角件適用于表面具有兩個平行凹槽的型材之間的固定連接,而型材角件常用于表面具有一個凹槽的型材之間的連接;角件材質、長度、結構、固定方式等與普通型材角件相同; |
| 注:鋁型材強力角件分為多種規格型號,分別對應相應規格型材,可以根據選型表進行選擇; |
![]() ![]()
|
|
(雙槽鋁型材強力角件安裝示意圖)
|
|
雙槽鋁型材強力角件選型表(單位:mm)
|
|||||
|
適用型材
|
L
|
L1
|
D
|
材質
|
訂貨編號
|
|
6060(雙槽)
|
56
|
30
|
φ6.5/φ8.5
|
6063-T5
|
CE-L7878-3056
|
|
8080
|
76
|
40
|
φ8.5
|
6063-T5
|
CE-L7878-4076
|
|
9090
|
86
|
45
|
φ8.5
|
6063-T5
|
CE-L7878-4586
|
|
100100
|
96
|
50
|
φ8.5
|
6063-T5
|
CE-L7878-5096
|
| (8)45度鋁型材角件主要適用于兩支型材之間45度或135度結構的固定連接,角件中間斜撐結構可以增強角件的支撐能力,中心攻絲孔可以經過簡單的加工處理用于封板的安裝;其安裝方式與其它型材角件相同,也可以采用其它緊固方式完成安裝,可以靈活掌控; |
![]() ![]()
|
|
(45度鋁型材角件安裝示意圖)
|
|
45度型材角件選型表(單位:mm)
|
|||||
|
適用型材
|
L
|
D
|
M
|
材質
|
訂貨編號
|
|
2020
|
18
|
φ6
|
M5
|
6063-T5
|
CE-L8080-2018
|
|
3030
|
26
|
φ6.5/φ8.5
|
M5
|
6063-T5
|
CE-L8080-3026
|
|
4040
|
36
|
φ8.5
|
M5
|
6063-T5
|
CE-L8080-4036
|
|
4545
|
41
|
φ8.5
|
M5
|
6063-T5
|
CE-L8080-4541
|
|
5050
|
46
|
φ8.5
|
M5
|
6063-T5
|
CE-L8080-5046
|
| (9)45度雙槽鋁型材角件主要用于表面具有兩個平行凹槽的型材之間45度或135度結構的固定連接,其安裝方式與45度鋁型材角件相同; |
![]() ![]()
|
|
(45度雙槽鋁型材角件安裝示意圖)
|
|
45度雙槽型材角件選型表(單位:mm)
|
|||||
|
適用型材
|
L
|
D
|
M
|
材質
|
訂貨編號
|
|
40雙槽
|
38
|
φ6
|
M5
|
6063-T5
|
CE-L8080-2038
|
|
60雙槽
|
56
|
φ6.5/φ8.5
|
M5
|
6063-T5
|
CE-L8080-3056
|
|
80雙槽
|
76
|
φ8.5
|
M5
|
6063-T5
|
CE-L8080-4076
|
|
90雙槽
|
86
|
φ8.5
|
M5
|
6063-T5
|
CE-L8080-4586
|
|
100雙槽
|
96
|
φ8.5
|
M5
|
6063-T5
|
CE-L8080-5086
|
| (10)135度鋁型材角件主要用于兩支鋁型材之間135度或45度結構緊固連接,其材質、最大長度、加工工藝、安裝方式與標準型材角件相同; |
| 注:該角件分為多種規格,分別適用于不同型號的型材,可以根據以下選型表合理選擇; |
![]() ![]()
|
|
(135度型材角件安裝示意圖)
|
|
135度鋁型材角件選型表(單位:mm)
|
||||
|
適用型材
|
L
|
D
|
材質
|
訂貨編號
|
|
2020
|
18
|
φ6
|
6063-T5
|
CE-L7070-2018
|
|
3030
|
26
|
φ6.5/φ8.5
|
6063-T5
|
CE-L7070-3026
|
|
4040
|
36
|
φ8.5
|
6063-T5
|
CE-L7070-4036
|
|
4545
|
41
|
φ8.5
|
6063-T5
|
CE-L7070-4541
|
|
5050
|
46
|
φ8.5
|
6063-T5
|
CE-L7070-5046
|
| (11)135度雙槽鋁型材角件主要用于表面具有兩個平行凹槽的型材(如20系列4040、30系列6060、3060、4080、8080等規格)之間135度或45度結構的固定連接,其材質、最大長度、加工工藝、安裝方式與標準型材角件相同; |
![]() ![]()
|
|
(135度雙槽鋁型材角件安裝示意圖)
|
|
135度雙槽鋁型材角件選型表(單位:mm)
|
||||
|
適用型材
|
L
|
D
|
材質
|
訂貨編號
|
|
40~雙槽
|
38
|
φ6
|
6063-T5
|
CE-L7070-2038
|
|
60~雙槽
|
56
|
φ6.5/φ8.5
|
6063-T5
|
CE-L7070-3056
|
|
80~雙槽
|
76
|
φ8.5
|
6063-T5
|
CE-L7070-4076
|
|
90~雙槽
|
86
|
φ8.5
|
6063-T5
|
CE-L7070-4586
|
|
100~雙槽
|
96
|
φ8.5
|
6063-T5
|
CE-L7070-5096
|
| 以上是組裝鋁型材框架常用的角件產品,我們在選型表中詳細列出了角件的尺寸參數,以及所適應的型材規格及槽型,選型時可以參照型材規格所對應的訂貨編號進行產品選型; |
聯系APAS/ Contact us
天津艾普斯工業鋁型材股份有限公司
聯系電話:022-87920088
企業傳真:(避免惡意廣告)請聯系該企業網絡管理員
服務熱線:13702119190 (24小時服務熱線)
Q Q:534973906
企業郵箱: lxc@apas.com.cn
企業地址:天津市西青經濟技術開發區賽達國際工業城A3-2
聯系電話:022-87920088
企業傳真:(避免惡意廣告)請聯系該企業網絡管理員
服務熱線:13702119190 (24小時服務熱線)
Q Q:534973906
企業郵箱: lxc@apas.com.cn
企業地址:天津市西青經濟技術開發區賽達國際工業城A3-2
采購意向留言:* 為必填




















_01.jpg)
_02.jpg)


_01.jpg)
_02.jpg)






.jpg)


QQ咨詢
電話聯系
聯系電話

在線留言
樣冊下載
