連接件模型
Connector Model
Connector Model
聯系APAS / Contact us
- 地址:天津市西青經濟技術開發區賽達國際工業城A3-2.
- 郵箱:lxc@apas.com.cn
- 電話:022-87920088
- 傳真:請聯系網絡管理員
- 郵編:300385
- 咨詢熱線:13702119190(24小時服務熱線)
連接件模型
/ Connector Model

30系列(單槽)鋁型材135度角碼3d模型
產品描述 / Name
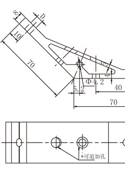
30系列(單槽)鋁型材135度角碼是用于鋁型材框架135度結構固定連接,起固定支撐作用,可以下載型材角碼SLDWORKS三維模型進行框架結構的設計組裝;
022-87920099
可以根據需求進行設計加工,提供上門安裝服務;可以根據特殊需求進行鋁型材開模定制。
* 免費提供工業鋁型材選型手冊 →點擊咨詢
內容來源:http://www.postbar.cn 作者:武將 發布日期:2020年04月16日 10時21分 閱讀次數:4824 次
| 該規格鋁型材135度(單槽)角碼是用于30系列鋁型材框架結構135度斜角固定連接,起固定支撐作用;135度型材角碼裝配時通常與T型螺栓以及法蘭螺母配合使用,是較為常用的便捷式緊固連接配件; |
![]() ![]()
|
|
135度(單槽)鋁型材角碼屬于6063-T5鋁延壓材料,表面經過噴砂-陽極氧化處理,具有較強的抗氧化能力;型材角碼最大長度為6m,可以根據使用需求進行切割定制,兩側有工藝空加工標線,用于安裝工藝孔的加工處理; |
|
槽型規格
|
螺紋
|
材質
|
訂貨編號
|
|
槽6
|
M5(頂絲)
|
碳鋼(鍍鋅)
|
CE-CL100M5-6-20
|
聯系APAS/ Contact us
天津艾普斯工業鋁型材股份有限公司
聯系電話:022-87920088
企業傳真:(避免惡意廣告)請聯系該企業網絡管理員
服務熱線:13702119190 (24小時服務熱線)
Q Q:534973906
企業郵箱: lxc@apas.com.cn
企業地址:天津市西青經濟技術開發區賽達國際工業城A3-2
聯系電話:022-87920088
企業傳真:(避免惡意廣告)請聯系該企業網絡管理員
服務熱線:13702119190 (24小時服務熱線)
Q Q:534973906
企業郵箱: lxc@apas.com.cn
企業地址:天津市西青經濟技術開發區賽達國際工業城A3-2
采購意向留言:* 為必填


.jpg)











.jpg)
QQ咨詢
電話聯系
聯系電話

在線留言
樣冊下載
