連接件模型
Connector Model
Connector Model
聯系APAS / Contact us
- 地址:天津市西青經濟技術開發區賽達國際工業城A3-2.
- 郵箱:lxc@apas.com.cn
- 電話:022-87920088
- 傳真:請聯系網絡管理員
- 郵編:300385
- 咨詢熱線:13702119190(24小時服務熱線)
連接件模型
/ Connector Model

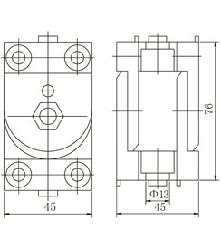
45系列鋁型材活動鉸鏈3d(數模)模型
產品描述 / Name
本內容講述了鋁型材活動鉸鏈安裝示意圖,以及提供了活動鉸鏈/鋁型材活動連接配件SLDWORKS三維模型,設計師可以下載3d數模進行鋁型材框架的設計組裝;
022-87920099
可以根據需求進行設計加工,提供上門安裝服務;可以根據特殊需求進行鋁型材開模定制。
* 免費提供工業鋁型材選型手冊 →點擊咨詢
內容來源:http://www.postbar.cn 作者:武將 發布日期:2020年03月26日 10時24分 閱讀次數:3136 次
| 45系列活動鉸鏈屬于鋁型材功能型連接配件,可用于量支型材之間的活動連接,其活動范圍為180度,它具有多種連接方式; |
![]() ![]()
|
| 45規格鋁型材活動鉸鏈具有兩種材質,分別為鑄鋁和碳鋼材質,可以根據連接強度選用相應材質的活動鉸鏈;鋁型材活動鉸鏈兩端具有凹槽固定點,主要起防轉、防松動作用; |
|
槽型規格
|
材質
|
訂貨編號
|
|
槽10
|
碳鋼(鍍鋅)
|
CE-CL100M5-6-20
|
聯系APAS/ Contact us
天津艾普斯工業鋁型材股份有限公司
聯系電話:022-87920088
企業傳真:(避免惡意廣告)請聯系該企業網絡管理員
服務熱線:13702119190 (24小時服務熱線)
Q Q:534973906
企業郵箱: lxc@apas.com.cn
企業地址:天津市西青經濟技術開發區賽達國際工業城A3-2
聯系電話:022-87920088
企業傳真:(避免惡意廣告)請聯系該企業網絡管理員
服務熱線:13702119190 (24小時服務熱線)
Q Q:534973906
企業郵箱: lxc@apas.com.cn
企業地址:天津市西青經濟技術開發區賽達國際工業城A3-2
采購意向留言:* 為必填















QQ咨詢
電話聯系
聯系電話

在線留言
樣冊下載
