National standard
聯系APAS / Contact us
- 地址:天津市西青經濟技術開發區賽達國際工業城A3-2.
- 郵箱:lxc@apas.com.cn
- 電話:022-87920088
- 傳真:請聯系網絡管理員
- 郵編:300385
- 咨詢熱線:13702119190(24小時服務熱線)
擠壓鋁型材尺寸公差GB/T標準
1:范圍
本標準規定了擠壓鋁型材尺寸偏差(包括橫截面尺寸偏差、曲面間隙、平面間隙、彎曲度、扭擰度、切斜度、長度偏差)要求及其檢測方法;
2:屬于和定義
下列術語和定制適用于本內容;
2.1外接圓 circumscribing circle
能夠將鋁型材橫截面完全包圍的最小的圓,如下圖所示;
3分類、分級
3.1鋁型材分類
鋁及擠壓鋁型材按成分分為兩類,如下表所示:
|
牌號系別
|
鋁型材類別
|
鋁型材典型牌號
|
||
|
Ⅰ類
|
Ⅱ類
|
Ⅰ類鋁型材典型牌號
|
Ⅱ類鋁型材典型牌號
|
|
|
1×××
|
所有
|
-
|
1050A、1060、1100、1200、1350
|
-
|
|
2×××
|
-
|
所有
|
-
|
2A11、2A12、2017、2017A、2014、2014A、2024
|
|
3×××
|
所有
|
-
|
3A21、3003、3102、3103
|
-
|
|
4×××
|
所有
|
-
|
-
|
-
|
|
5×××
|
Mg含量的平均值小于4.0%
|
Mg含量的平均值不小于4.0%
|
5A02、5A03、5005、5005A、5051A、5049、5251、5052、5154A、5454、5754
|
5A05、5A06、5019、5083、5086
|
|
6×××
|
所有
|
-
|
6A02、6101A、6101B、6005、6005A、6106、6008、6110A、6014、6351、6060、6360、6061、6261、6262、6262A、6063、6063A、6463、6463A、6065、6081、6082
|
-
|
|
7×××
|
-
|
所有
|
-
|
7A04、7003、7005、7108、7108A、7020、7021、7022、7049A、7075、7178
|
3.2偏差分級
鋁型材尺寸偏差等級如下表所示:
|
偏差項目
|
偏差等級
|
|
|
橫截面a,b
|
壁厚尺寸偏差
|
普通級、高精級、超高精級
|
|
非壁厚尺寸偏差
|
普通級、高精級、超高精級
|
|
|
角度偏差a
|
普通級、高精級、超高精級
|
|
|
倒角半徑及圓角半徑偏差a
|
不分級
|
|
|
曲面間隙
|
不分級
|
|
|
平面間隙a
|
普通級、高精級、超高精級
|
|
|
彎曲度a
|
縱向彎曲度
|
普通級、高精級、超高精級
|
|
縱向波浪度(或硬度)
|
普通級、高精級、超高精級
|
|
|
縱向側彎度
|
不分級
|
|
|
扭擰度a
|
普通級、高精級、超高精級
|
|
|
切斜度a
|
普通級、高精級、超高精級
|
|
|
長度偏差a
|
不分級
|
|
a當鋁型材標準或圖樣上對尺寸偏差另有規定時,鋁型材的尺寸偏差按產品標準或圖樣上的規定執行,若產品標準或圖樣上未規定尺寸偏差,鋁型材的尺寸偏差按本標準執行;
b圖樣上未標注偏差且不能直接測量的橫截面尺寸偏差不檢測;
4尺寸偏差要求
4.1橫截面尺寸偏差
4.1.1壁厚尺寸
4.1.1.1壁厚尺寸分為A、B、C三組,如下圖所示:
說明:
A—翅壁壁厚;
B—封閉空腔周壁壁厚;
C—兩個封閉空腔間的隔斷壁厚;
H—非壁厚尺寸;
E—對開口部位的H尺寸偏差有重要影響的基準尺寸;
4.1.1.2 ?Ⅰ類鋁型材壁厚尺寸偏差應符合下面表格規定;需要高精級或超高精級時,應在訂貨單(或合同)中注明,且將偏差值標注在圖樣上,未注明時按普通級供貨;
|
級別
|
公稱壁厚mm
|
對應于下列外接圓直徑的鋁型材壁厚尺寸允許偏差a,b,c,d,e,f,g/mm
|
|||||||||||
|
≤100.00
|
>100.00~300.00
|
>300.00~500.00
|
>500.00~1000.00
|
||||||||||
|
A組
|
B組
|
C組
|
A組
|
B組
|
C組
|
A組
|
B組
|
C組
|
A組
|
B組
|
C組
|
||
|
普通級
|
≤1.50
|
±0.23
|
±0.30
|
±0.38
|
±0.30
|
±0.45
|
±0.53
|
±0.38
|
-
|
-
|
-
|
-
|
-
|
|
>1.50~3.00
|
±0.23
|
±0.38
|
±0.45
|
±0.38
|
±0.60
|
±0.75
|
±0.53
|
±0.90
|
±1.13
|
±0.60
|
±1.20
|
±1.50
|
|
|
>3.00~6.00
|
±0.30
|
±0.60
|
±0.75
|
±0.45
|
±0.90
|
±1.13
|
±0.60
|
±1.20
|
±1.50
|
±0.75
|
±1.50
|
±1.80
|
|
|
>6.00~10.00
|
±0.38
|
±0.90
|
±1.13
|
±0.53
|
±1.20
|
±1.50
|
±0.68
|
±1.50
|
±1.80
|
±0.83
|
±1.80
|
±2.25
|
|
|
>10.00~15.00
|
±0.45
|
±1.20
|
±1.50
|
±0.60
|
±1.50
|
±1.82
|
±0.75
|
±1.80
|
±2.25
|
±0.90
|
±2.25
|
±2.85
|
|
|
>15.00~20.00
|
±0.53
|
±1.80
|
±2.25
|
±0.68
|
±2.25
|
±2.85
|
±0.83
|
±2.55
|
±3.00
|
±0.98
|
±3.00
|
±3.75
|
|
|
>20.00~30.00
|
±0.60
|
±2.25
|
±2.85
|
±0.75
|
±2.70
|
±3.30
|
±0.90
|
±3.00
|
±3.75
|
±1.05
|
±3.75
|
±4.50
|
|
|
>30.00~40.00
|
±0.68
|
-
|
-
|
±0.90
|
±3.00
|
±3.75
|
±1.05
|
±3.30
|
±4.05
|
±1.20
|
±4.05
|
±4.95
|
|
|
>40.00~50.00
|
-
|
-
|
-
|
±1.05
|
-
|
-
|
±1.20
|
-
|
-
|
±1.35
|
-
|
-
|
|
|
高精級
|
≤1.50
|
±0.15
|
±0.20
|
±0.25
|
±0.20
|
±0.30
|
±0.35
|
±0.25
|
-
|
-
|
-
|
-
|
-
|
|
>1.50~3.00
|
±0.15
|
±0.25
|
±0.30
|
±0.25
|
±0.40
|
±0.50
|
±0.35
|
±0.60
|
±0.75
|
±0.40
|
±0.80
|
±1.00
|
|
|
>3.00~6.00
|
±0.20
|
±0.40
|
±0.50
|
±0.30
|
±0.60
|
±0.75
|
±0.40
|
±0.80
|
±1.00
|
±0.50
|
±1.00
|
±1.20
|
|
|
>6.00~10.00
|
±0.25
|
±0.60
|
±0.75
|
±0.35
|
±0.80
|
±1.00
|
±0.45
|
±1.00
|
±1.20
|
±0.55
|
±1.20
|
±1.50
|
|
|
>10.00~15.00
|
±0.30
|
±0.80
|
±1.00
|
±0.40
|
±1.00
|
±1.20
|
±0.50
|
±1.20
|
±1.50
|
±0.60
|
±1.50
|
±1.90
|
|
|
>15.00~20.00
|
±0.35
|
±1.20
|
±1.50
|
±0.45
|
±1.50
|
±1.90
|
±0.55
|
±1.70
|
±2.00
|
±0.65
|
±2.00
|
±2.50
|
|
|
>20.00~30.00
|
±0.40
|
±1.50
|
±1.90
|
±0.50
|
±1.80
|
±2.20
|
±0.60
|
±2.00
|
±2.50
|
±0.70
|
±2.50
|
±3.00
|
|
|
>30.00~40.00
|
±0.45
|
-
|
-
|
±0.60
|
±2.00
|
±2.50
|
±0.70
|
±2.20
|
±2.70
|
±0.80
|
±2.70
|
±3.30
|
|
|
>40.00~50.00
|
-
|
-
|
-
|
±0.70
|
-
|
-
|
±0.80
|
-
|
-
|
±0.90
|
-
|
-
|
|
|
超高精極
|
≤1.50
|
±0.10
|
±0.13
|
±0.17
|
±0.13
|
±0.20
|
±0.23
|
±0.17
|
-
|
-
|
-
|
-
|
-
|
|
>1.50~3.00
|
±0.10
|
±0.17
|
±0.20
|
±0.15
|
±0.25
|
±0.28
|
±0.23
|
±0.38
|
±0.40
|
±0.27
|
±0.40
|
±0.45
|
|
|
>3.00~6.00
|
±0.13
|
±0.27
|
±0.33
|
±0.18
|
±0.40
|
±0.50
|
±0.27
|
±0.53
|
±0.67
|
±0.33
|
±0.67
|
±0.80
|
|
|
>6.00~10.00
|
±0.17
|
±0.40
|
±0.50
|
±0.20
|
±0.53
|
±0.67
|
±0.30
|
±0.67
|
±0.80
|
±0.37
|
±0.80
|
±1.00
|
|
|
>10.00~15.00
|
±0.19
|
±0.53
|
±0.67
|
±0.20
|
±0.67
|
±0.80
|
±0.33
|
±0.80
|
±1.00
|
±0.40
|
±1.00
|
±1.27
|
|
|
>15.00~20.00
|
±0.21
|
±0.80
|
±1.00
|
±0.23
|
±1.00
|
±1.27
|
±0.37
|
±1.13
|
±1.33
|
±0.43
|
±1.33
|
±1.67
|
|
|
>20.00~30.00
|
±0.23
|
±1.00
|
±1.27
|
±0.25
|
±1.20
|
±1.47
|
±0.40
|
±1.33
|
±1.67
|
±0.46
|
±1.67
|
±2.00
|
|
|
>30.00~40.00
|
±0.25
|
-
|
-
|
±0.30
|
±1.33
|
±1.67
|
±0.47
|
±1.47
|
±1.80
|
±0.48
|
±1.80
|
±2.20
|
|
|
>40.00~50.00
|
-
|
-
|
-
|
±0.36
|
-
|
-
|
±0.53
|
-
|
-
|
±0.60
|
-
|
-
|
|
a當偏差不采用對稱的“±”偏差時,則正、負偏差的絕對值之和應為上表中對應數值的兩倍;
b表中無數值處表示偏差不要求;
c含封閉空腔的空心鋁型材(如圖3~5),若空腔兩對邊厚度不相等,且厚邊壁厚大于或等于其對邊壁厚的3倍,其壁厚允許偏差由供需雙方商定;
d含封閉空腔的空心鋁型材(如圖3~5),所包圍的空腔截面積小于70mm2時,若空腔兩對邊壁厚相等,其空腔壁厚的允許偏差采用A組;若空腔兩邊對壁厚不相等,且厚邊壁厚小于其對邊壁厚的3倍,其任一邊壁厚的允許偏差采用兩對邊平均壁厚對應的A組;
e含封閉空腔的空心鋁型材(如圖3~5),所包含的空腔截面積不小于70mm2時,若空腔兩對邊壁厚相等,其空腔壁厚的允許偏差采用B組;若空腔兩對邊壁厚不相等,且厚邊壁厚小于其對邊壁厚的3倍,其任一邊壁厚的允許偏差采用兩對邊平均壁厚對應的B組;
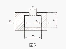
f含不完全封閉空腔的半空心鋁型材(如圖6~7),當所包圍空腔截面積小于豁口尺寸(H1)平方的2倍(即2H12)時,其空腔周壁壁厚的允許偏差采用A組;當所包圍空腔截面積不小于豁口尺寸(H1)平方的2倍(即2H12)時,采用含封閉空腔的空心鋁型材的壁厚偏差;
g通過芯棒生產的鋁型材,B組應采用C組壁厚允許偏差值;
4.1.1.3 Ⅱ類鋁型材的壁厚尺寸偏差應符合下表所示規定;需要高精級或超高精級時,應在訂貨單(或合同)中注明,且將偏差值標注在圖樣上,未注明時按普通級供貨;
|
級別
|
公稱壁厚mm
|
對應于下列外接圓直徑的鋁型材壁厚尺寸允許偏差a,b,c,d,e,f,g/mm
|
|||||||||||
|
≤100.00
|
>100.00~300.00
|
>300.00~500.00
|
>500.00~1000.00
|
||||||||||
|
A組
|
B組
|
C組
|
A組
|
B組
|
C組
|
A組
|
B組
|
C組
|
A組
|
B組
|
C組
|
||
|
普通級
|
≤1.50
|
±0.30
|
±0.45
|
±0.53
|
±0.38
|
±0.60
|
±0.75
|
±0.53
|
-
|
-
|
-
|
-
|
-
|
|
>1.50~3.00
|
±0.38
|
±0.53
|
±0.68
|
±0.45
|
±0.75
|
±0.98
|
±0.68
|
±1.05
|
±1.35
|
±0.75
|
±1.35
|
±1.80
|
|
|
>3.00~6.00
|
±0.45
|
±0.82
|
±0.90
|
±0.53
|
±1.05
|
±1.35
|
±0.90
|
±1.35
|
±1.80
|
±0.90
|
±1.50
|
±1.95
|
|
|
>6.00~10.00
|
±0.53
|
±1.13
|
±1.50
|
±0.68
|
±1.50
|
±1.95
|
±0.98
|
±1.80
|
±2.25
|
±1.05
|
±2.25
|
±2.85
|
|
|
>10.00~15.00
|
±0.60
|
±1.50
|
±1.95
|
±0.75
|
±1.95
|
±2.55
|
±1.05
|
±2.25
|
±2.85
|
±1.20
|
±2.70
|
±3.45
|
|
|
>15.00~20.00
|
±0.68
|
±2.25
|
±2.85
|
±0.83
|
±2.70
|
±3.30
|
±1.12
|
±3.00
|
±3.75
|
±1.28
|
±3.75
|
±4.65
|
|
|
>20.00~30.00
|
±0.75
|
±2.70
|
±3.30
|
±0.90
|
±3.30
|
±4.05
|
±1.20
|
±2.75
|
±4.65
|
±1.35
|
±4.50
|
±5.55
|
|
|
>30.00~40.00
|
±0.90
|
-
|
-
|
±1.05
|
±3.75
|
-
|
±1.35
|
±4.50
|
-
|
±1.50
|
±4.80
|
-
|
|
|
>40.00~50.00
|
-
|
-
|
-
|
±1.20
|
-
|
-
|
±1.50
|
-
|
-
|
±1.65
|
-
|
-
|
|
|
高精級
|
≤1.50
|
±0.20
|
±0.30
|
±0.35
|
±0.25
|
±0.40
|
±0.50
|
±0.35
|
-
|
-
|
-
|
-
|
-
|
|
>1.50~3.00
|
±0.25
|
±0.35
|
±0.45
|
±0.30
|
±0.50
|
±0.65
|
±0.45
|
±0.70
|
±0.90
|
±0.50
|
±0.90
|
±1.20
|
|
|
>3.00~6.00
|
±0.30
|
±0.55
|
±0.60
|
±0.35
|
±0.70
|
±0.90
|
±0.60
|
±0.90
|
±1.20
|
±0.60
|
±1.00
|
±1.30
|
|
|
>6.00~10.00
|
±0.35
|
±0.75
|
±1.00
|
±0.45
|
±1.00
|
±1.30
|
±0.65
|
±1.20
|
±1.50
|
±0.70
|
±0.50
|
±1.90
|
|
|
>10.00~15.00
|
±0.40
|
±1.00
|
±1.30
|
±0.50
|
±1.30
|
±1.70
|
±0.70
|
±1.50
|
±1.90
|
±0.80
|
±1.80
|
±2.30
|
|
|
>15.00~20.00
|
±0.45
|
±1.50
|
±1.90
|
±0.55
|
±1.80
|
±2.20
|
±0.75
|
±2.00
|
±2.30
|
±0.85
|
±2.50
|
±3.10
|
|
|
>20.00~30.00
|
±0.50
|
±1.80
|
±2.20
|
±0.60
|
±2.20
|
±2.70
|
±0.80
|
±2.50
|
±3.10
|
±0.90
|
±3.00
|
±3.70
|
|
|
>30.00~40.00
|
±0.60
|
-
|
-
|
±0.70
|
±2.50
|
-
|
±0.90
|
±3.00
|
-
|
±1.00
|
±3.20
|
-
|
|
|
>40.00~50.00
|
-
|
-
|
-
|
±0.80
|
-
|
-
|
±1.00
|
-
|
-
|
±1.10
|
-
|
-
|
|
|
超高精極
|
≤1.50
|
±0.13
|
±0.20
|
±0.23
|
±0.15
|
±0.23
|
±0.25
|
±0.30
|
-
|
-
|
-
|
-
|
-
|
|
>1.50~3.00
|
±0.13
|
±0.23
|
±0.28
|
±0.15
|
±0.28
|
±0.30
|
±0.30
|
±0.38
|
±0.40
|
±0.35
|
±0.40
|
±0.45
|
|
|
>3.00~6.00
|
±0.15
|
±0.37
|
±0.40
|
±0.18
|
±0.47
|
±0.60
|
±0.35
|
±0.60
|
±0.80
|
±0.38
|
±0.67
|
±0.87
|
|
|
>6.00~10.00
|
±0.17
|
±0.50
|
±0.67
|
±0.20
|
±0.67
|
±0.87
|
±0.38
|
±0.80
|
±1.00
|
±0.41
|
±1.00
|
±1.27
|
|
|
>10.00~15.00
|
±0.19
|
±0.67
|
±0.87
|
±0.20
|
±0.87
|
±1.13
|
±0.40
|
±1.00
|
±1.27
|
±0.41
|
±1.20
|
±1.53
|
|
|
>15.00~20.00
|
±0.21
|
±1.00
|
±1.27
|
±0.23
|
±1.20
|
±1.47
|
±0.41
|
±1.33
|
±1.67
|
±0.43
|
±1.67
|
±2.07
|
|
|
>20.00~30.00
|
±0.23
|
±1.20
|
±1.47
|
±0.25
|
±1.47
|
±1.50
|
±0.43
|
±1.67
|
±2.07
|
±0.46
|
±2.00
|
±2.30
|
|
|
>30.00~40.00
|
±0.25
|
-
|
-
|
±0.30
|
±1.50
|
-
|
±0.45
|
±2.00
|
-
|
±0.48
|
±2.13
|
-
|
|
|
>40.00~50.00
|
-
|
-
|
-
|
±0.36
|
-
|
-
|
±0.50
|
-
|
-
|
±0.60
|
-
|
-
|
|
a當偏差不采用對稱的“±”偏差時,則正、負偏差的絕對值之和應為上表中對應數值的兩倍;
b表中無數值處表示偏差不要求;
c含封閉空腔的空心鋁型材(如圖3~5),若空腔兩對邊壁厚不相等,且厚邊壁厚大于或等于其對邊壁厚的3倍,其壁厚允許偏差由供需雙方商定;
d含封閉空腔的空心鋁型材(如圖3~5),所包圍的空腔截面積小于70mm2時,若空腔兩對邊壁厚相等,其空腔壁厚的允許偏差采用A組;若空腔兩對邊壁厚不相等,且厚邊壁厚小于其對邊壁厚的3倍,其任一邊壁厚的允許偏差采用兩對邊平均壁厚對應的A組;
e含封閉空腔的空心鋁型材(如圖3~5),所包圍的空腔截面積不小于70mm2時,若空腔兩對邊壁厚相等,其空腔壁厚的允許偏差采用B組;若空腔兩對邊壁厚不相等,且厚邊壁厚小于其對邊壁厚的3倍,其任一邊壁厚的允許偏差采用兩對邊平均壁厚對應的B組;
f含不完全封閉空腔的半空心鋁型材(如圖6~7),當所包圍空腔截面積小于豁口尺寸(H1)平方的2倍(即2H12)時,其空腔周壁壁厚的允許偏差采用A組;當所包圍空腔截面積不小于豁口尺寸(H1)平方的2倍(即2H12)時,采用含封閉空腔的空心鋁型材的壁厚偏差;
g通過芯棒生產的鋁型材,B組應采用C組壁厚允許偏差值;
4.1.2非壁厚尺寸
非壁厚尺寸(如圖3~14所示鋁型材的H、H1、H2),按其包含的實體金屬百分比,劃分為兩組:實體金屬部分不小于75%(簡稱實體不小于75%)的尺寸和實體金屬部分小于75%(簡稱實體小于75%)的尺寸;
![]() ![]()
|
![]() ![]()
|
![]() ![]()
|
![]() ![]()
|
4.1.3角度偏差
圖樣上標注有角度標注偏差,且能直接測量的角度,其角度允許偏差應符合下表所示的規定;需要高精級或超高精級時,應在訂貨單(或合同)中注明,且將偏差值標注在圖樣上,未注明時按普通級供貨;
|
鋁型材類別
|
角度允許偏差a
|
||
|
普通級
|
高精級
|
超高精級
|
|
|
Ⅰ類
|
±2.0°
|
±1.0°
|
±0.5°
|
|
Ⅱ類
|
±2.5° |
±1.5°
|
±1.0°
|
a當偏差不采用對稱的“±”偏差時,則正、負偏差的絕對值之和應為表中對應數值的兩倍;
4.1.4倒角半徑r及圓角半徑R
4.1.4.1鋁型材橫截面上的倒角(或過度圓角)半徑r及圓角半徑R如下圖所示:
4.1.4.2鋁型材圖樣上標注有倒角半徑“r”字樣時,倒角半徑r應符合下表所示的規定;不同于下表規定時,應將倒角半徑要求標注在圖樣上;
|
壁厚
|
倒角半徑r不大于
|
|
|
Ⅰ類鋁型材
|
Ⅱ類鋁型材
|
|
|
≤3.00
|
0.5
|
0.6
|
|
>3.00~6.00
|
0.6
|
0.8
|
|
>6.00~10.00
|
0.8
|
1.0
|
|
>10.00~50.00
|
1.0
|
1.0
|
4.1.4.3鋁型材圖樣上標注有圓角半徑R值時,圓角半徑R的允許偏差應符合下表的規定;不同于下表規定時,應將偏差值標注在圖樣上;
|
圓角半徑R
|
圓角半徑的允許偏差a
|
|
≤5.0
|
±0.5
|
|
>5.0
|
±10%R
|
a當偏差不采用對稱的“±”偏差時,則正、負偏差的絕對值之和應為表中對應數值的兩倍;
4.2曲面間隙
鋁型材對曲面間隙有要求時,應供需雙方協商曲面弧樣板,鋁型材曲面間隙應符合下表的規定或在圖樣上注明;
|
曲面弦長
|
鋁型材的曲面間隙值
|
|
≤30.00
|
≤0.3
|
|
>30.00~60.00
|
≤0.5
|
|
>60.00~90.00
|
≤0.7
|
|
>90.00~120.00
|
≤1.0
|
|
>120.00~150.00
|
≤1.2
|
|
>150.00~200.00
|
≤1.5
|
|
>200.00~250.00
|
≤2.0
|
|
>250.00~300.00
|
≤2.5
|
|
>300.00~400.00
|
≤3.0
|
|
>400.00~500.00
|
≤3.5
|
|
>500.00~1000.00
|
≤4.0
|
4.3平面間隙
鋁型材的平面間隙應符合下表的規定,需要高精級或超高精級時應在圖樣或訂貨單(或合同)中注明,未注明時按普通級供貨;
|
鋁型材公稱寬度W |
平面間隙不大于
|
||||
|
普通級
|
高精級
|
超高精級
|
|||
|
含封閉空腔的空心鋁型材(見圖3~圖5),或含不完全封閉空腔的且所包圍空腔截面積不小于豁口尺寸H1平方的2倍(即2H12)的空心鋁型材(見圖6~圖7)
|
其他鋁型材
|
||||
|
壁厚≤5.00
|
壁厚>5.00
|
||||
|
≤30.00
|
0.50
|
0.30
|
0.20
|
0.2
|
0.2
|
|
>30.00~60.00
|
0.80
|
0.40
|
0.30
|
0.30
|
0.30
|
|
>60.00~100.00
|
1.20
|
0.60
|
0.40
|
0.40
|
0.40
|
|
>100.00~150.00
|
1.50
|
0.90
|
0.60
|
0.60
|
0.50
|
|
>150.00~200.00
|
2.30
|
1.20
|
0.80
|
0.80
|
0.70
|
|
>200.00~250.00
|
3.00
|
1.60
|
1.00
|
1.00
|
0.85
|
|
>250.00~300.00
|
3.80
|
1.80
|
1.20
|
1.20
|
1.00
|
|
>300.00~400.00
|
4.50
|
2.40
|
1.60
|
1.60
|
1.30
|
|
>400.00~500.00
|
6.00
|
3.00
|
2.00
|
2.00
|
1.70
|
|
>500.00~600.00
|
7.00
|
3.60
|
2.40
|
2.40
|
2.00
|
|
>600.00~1000.00
|
8.00
|
4.00
|
3.00
|
3.00
|
2.50
|
|
寬度W大于100.00mm時,在任意100.00mm寬度上
|
1.50
|
0.70
|
0.60
|
0.60
|
0.50
|
4.4彎曲度
4.4.1縱向彎曲度
除O、TX510狀態外的其他鋁型材,其縱向彎曲度應符合下表所示的規定,需要高精級或超高精級時應在圖樣或訂貨單(或合同)中注明,未注明時按普通級供貨;O、TX510狀態鋁型材的縱向彎曲度應由供需雙方商定,且在圖樣或訂貨單(或合同)中注明;
|
外接圓直徑
|
鋁型材最小公稱壁厚
|
縱向彎曲度
|
|||||
|
普通級
|
高精級
|
超高精級
|
|||||
|
每米長度上
|
全長(L米)上
|
每米長度上
|
全長(L米)上
|
每米長度上
|
全長(L米)上
|
||
|
≤40.00
|
≤2.50
|
不檢驗
|
不檢驗
|
≤4.0
|
≤4.0×L
|
≤2.0
|
≤2.0×L
|
|
>2.50
|
≤2.0
|
≤2.0×L
|
≤1.0
|
≤1.0×L
|
≤0.6
|
≤0.6×L
|
|
|
>40.00~300.00
|
-
|
≤2.0
|
≤2.0×L
|
≤1.0
|
≤1.0×L
|
≤0.6
|
≤0.6×L
|
|
>300.00~1000.00
|
-
|
≤2.5
|
≤2.5×L
|
≤1.5
|
≤1.5×L
|
-
|
-
|
4.4.2縱向波浪度(或硬彎)
除O、TX510狀態外的其他鋁型材,其縱向波浪度(或硬彎)應符合下表所示規定,需要高精級或超高精級時應在圖樣或訂貨單(或合同)中注明,未注明時按普通級供貨;O、TX510狀態鋁型材的縱向波浪度(或硬彎)應由供需雙方商定,并在圖樣或訂貨單(或合同)中注明;
|
外接圓直徑/mm
|
鋁型材最小公稱壁厚/mm
|
300mm長度上的波浪高度hs/mm
|
普通級
|
高精級
|
超高精級
|
|
≤40.00
|
≤2.50 |
≤1.0
|
不檢驗
|
允許
|
允許
|
|
>1.0~1.3
|
不檢驗
|
允許
|
不允許
|
||
|
>1.3
|
不檢驗
|
不允許
|
不允許
|
||
|
>2.50
|
≤0.3
|
允許
|
允許
|
允許
|
|
|
>0.3~0.5
|
允許
|
允許
|
每2米最多1處
|
||
|
>0.5
|
不允許
|
不允許
|
不允許
|
||
|
>40.00~1000.00
|
-
|
≤0.3
|
允許
|
允許
|
允許
|
|
>0.3~0.5
|
允許
|
允許
|
每2米最多1處
|
||
|
>0.5~1.0
|
允許
|
每米最多1處
|
不允許
|
||
|
>1.0~2.0
|
每米最多1處
|
不允許
|
不允許
|
||
|
>2.0
|
不允許
|
不允許
|
不允許
|
4.4.3縱向側彎度(或刀彎)
楔形鋁型材和帶圓頭的鋁型材,其縱向側彎度在每米長度上不超過4mm,在全長(L米)上不超過4L毫米;對其他鋁型材有縱向側彎度要求時,應供需雙方商定,并在圖樣或訂單上(或合同)中注明;
4.5扭擰度
鋁型材的扭擰度應符合下表所示規定,需要高精級或超高精級時應在圖樣或訂貨單(或合同)中注明,未注明時按普通級供貨;
|
公稱寬度W
|
下列長度(L米)上的扭擰度不大于
|
||||||||
|
<1m
|
1m~6m
|
>6m
|
<1m
|
1m~6m
|
>6m
|
<1m
|
1m~6m
|
>6m
|
|
|
普通級
|
高精級
|
超高精級
|
|||||||
|
≤30.00
|
2.0
|
5.0
|
5.5
|
1.2
|
2.5
|
3.0
|
1.0
|
2.0
|
2.5
|
|
>30.00~50.00
|
2.5
|
5.0
|
6.5
|
1.5
|
3.0
|
4.0
|
1.0
|
2.0
|
3.5
|
|
>50.00~100.00
|
4.0
|
6.5
|
13.0
|
2.0
|
3.5
|
5.0
|
1.0
|
2.5
|
4.2
|
|
>100.00~200.00
|
4.5
|
12.0
|
15.0
|
2.5
|
5.0
|
7.0
|
1.2
|
3.5
|
5.8
|
|
>200.00~300.00
|
6.0
|
14.0
|
21.0
|
2.5
|
6.0
|
8.0
|
1.8
|
4.5
|
6.7
|
|
>300.00~450.00
|
8.0
|
21.0
|
31.0
|
3.0
|
8.0
|
1.5×L
|
2.5
|
6.5
|
1.2×L
|
|
>450.00~600.00
|
12.0
|
31.0
|
40.0
|
3.5
|
9.0
|
3.0
|
7.5
|
||
|
>600.00~1000.00
|
16.0
|
40.0
|
50.0
|
4.0
|
10.0
|
3.5
|
8.3
|
||
4.6切斜度偏差
鋁型材兩端的切斜度應符合下表所示規定,需要高精級或超高精時,應在訂貨單(或合同)中注明,未注明時按普通級供貨;
|
項目
|
普通級
|
高精級
|
超高精級
|
|
端部切斜度
|
≤5°
|
≤3°
|
≤1°
|
4.7長度允許偏差
定尺或以倍尺作為定尺交貨的鋁型材,其長度允許偏差為±20mm;對于倍尺鋁型材在訂貨單(或合同)中注明因鋸口增加的鋸口余量(每個鋸口余量為3~5mm)
聯系APAS/ Contact us聯系電話:022-87920088
企業傳真:(避免惡意廣告)請聯系該企業網絡管理員
服務熱線:13702119190 (24小時服務熱線)
Q Q:534973906
企業郵箱: lxc@apas.com.cn
企業地址:天津市西青經濟技術開發區賽達國際工業城A3-2
采購意向留言:* 為必填












QQ咨詢
電話聯系
聯系電話

在線留言
樣冊下載
